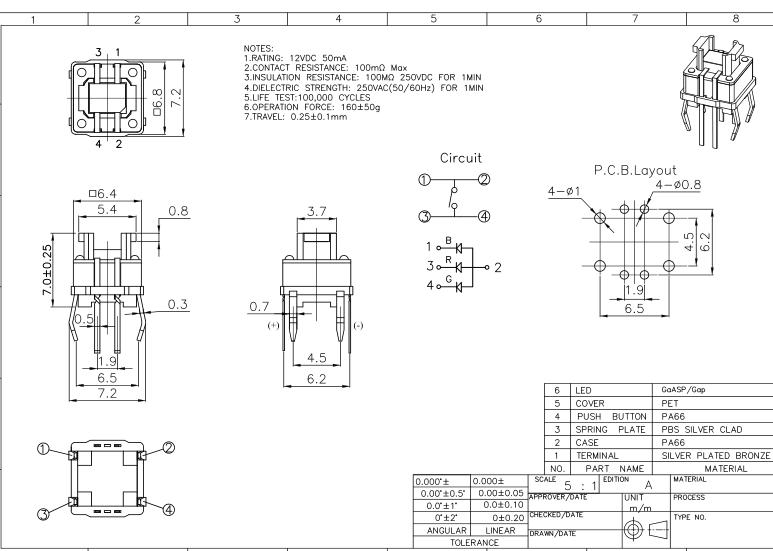
性能參數:
額定電流:50mA額定電壓:12V DC
接觸電阻:50mΩ(max)絕緣電阻:100MΩ(min)
耐壓測試:250VAC for 1 minute
操作力度: 160±50gf/250±50gf
耐焊接熱:260℃ for 5 seconds
功能: 瞬間
產品優勢:
2.有紅藍,紅綠,紅白雙色LED燈以及RGB三色燈可選
3.可搭配10mm圓形帽子使用,可鐳雕各種符號
4.有貼片和插件安裝方式可選
5. 可用回流焊焊接

類別:TS7
關鍵詞:TS7-0000RGB,三色燈開關
點擊率:
發布時間:2023-05-24 11:00:21
全國服務熱線:135 3278 9397
立即咨詢性能參數:
額定電流:50mA額定電壓:12V DC
接觸電阻:50mΩ(max)絕緣電阻:100MΩ(min)
耐壓測試:250VAC for 1 minute
操作力度: 160±50gf/250±50gf
耐焊接熱:260℃ for 5 seconds
功能: 瞬間
產品優勢:
2.有紅藍,紅綠,紅白雙色LED燈以及RGB三色燈可選
3.可搭配10mm圓形帽子使用,可鐳雕各種符號
4.有貼片和插件安裝方式可選
5. 可用回流焊焊接

下一篇:沒有了
contact us
公司名稱:東莞市杰啟電子有限公司
電話:135 3278 9397
手機:134 3302 6081
郵箱:jieqi001@jqswitch.com
地址:廣東省東莞市石碣鎮橫滘工業區
掃一掃